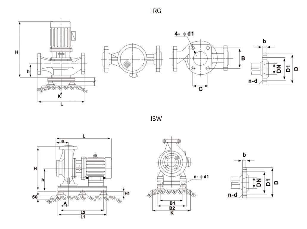
IRG/ISW系列单级立式/卧式离心管道泵 采用钣金冲压、液压 成型、焊接等先进制造工艺。作为国内首创的 新一代离心泵,取代传统Is泵和常规耐腐蚀泵。
系统压力:最大系统压力为1.6MPa。即泵入口压力+泵扬程不得超过16MPa。(订货时请注明系统工作压力。如果泵系统工作压力超过1.6Pa,必须在订货时单独注明,这样在制造时泵的过流部件和连接部件可以采用铸铁材料);
适用介质:固体不溶颗粒含量≤0.1体积%。粒径s0.2mm。(介质中含有细小磨粒时,必须采用耐磨机械密封,订货时请注明此要求);
环境条件:环境温度≤40℃,相对湿度≤95%,海拔高度≤1000米。
-工业增压:工艺水系统、清洗系统;
参数表

方面
